您好,欢迎您来到豪丰环保集团官方网站!
网站地图
|
设为首页
|
加入收藏
|
繁體中文
|
集团网络
网站首页
关于我们
集团介绍
发展历程
管理团队
新闻中心
集团新闻
法律法规
行业资讯
信息公开
厂房招商
麻涌工业园
常平工业园
客户服务
入园企业
服务联络
服务动态
办事指南
投诉建议
表格下载
企业文化
VI
文化理念
企业荣誉
企业公益
人在豪丰
人力资源
人才理念
招聘信息
在线应聘
联系我们
当前位置:
网站首页
>
新闻中心
>
信息公开
>
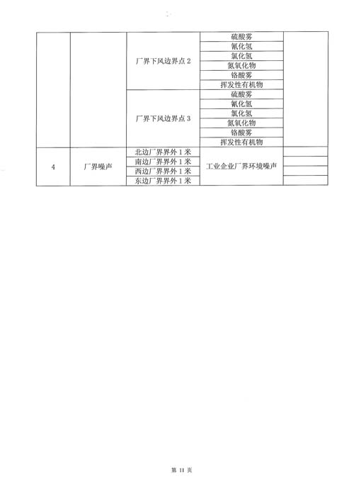
东莞市协腾五金制品有限公司2022年监测方案
时间:2022-01-04 09:40 来源:豪丰环保集团 作者:豪丰 点击:次
上一篇:
东莞市冠平五金制品有限公司2022年监测方案
下一篇:
东莞市润时精密制品有限公司2022年监测方案
栏目导航
集团新闻
法律法规
行业资讯
信息公开
推荐内容